Product Summary
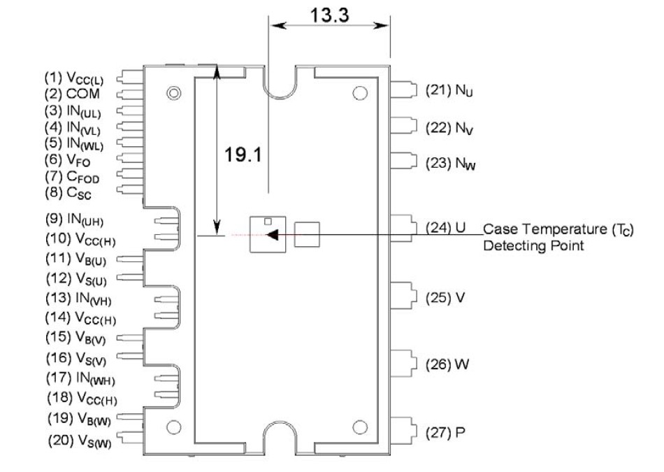
The FSBF5CH60B is an advanced motion-smart power module (Motion-SPMTM) that Fairchild has newly developed and designed to provides very compact and high performance ac motor drives mainly targeting low-power inverter-driven application like air conditioner and washing machine. It combines optimized circuit protection and drive matched to low-loss IGBTs. System reliability of the FSBF5CH60B is further enhanced by the integrated under-voltage lock-out and short-circuit protection.
Parametrics
FSBF5CH60B absolute maximum ratings: (1)VPN Supply Voltage Applied between P- NU, NV, NW: 450 V; (2)VPN(Surge) Supply Voltage (Surge) Applied between P- NU, NV, NW: 500 V; (3)VCES Collector-emitter Voltage: 600 V; (4)± IC Each IGBT Collector Current TC = 25℃: 5 A; (5)± ICP Each IGBT Collector Current (Peak) TC = 25℃, Under 1ms Pulse Width: 10 A; (6)PC Collector Dissipation TC = 25℃ per One Chip: 19 W; (7)TJ Operating Junction Temperature: -40 ~ 150 ℃.
Features
FSBF5CH60B features: (1)UL Certified No.E209204(SPM27-JA package); (2)600V-5A 3-phase IGBT inverter bridge including control ICs for gate driving and protection; (3)Easy PCB layout due to built in bootstrap diode; (4)Divided negative dc-link terminals for inverter current sensing applications; (5)Single-grounded power supply due to built-in HVIC; (6)Isolation rating of 2500Vrms/min.
Diagrams

| Image | Part No | Mfg | Description | ![]() |
Pricing (USD) |
Quantity | ||||||||||||
|---|---|---|---|---|---|---|---|---|---|---|---|---|---|---|---|---|---|---|
![]() |
![]() FSBF5CH60B |
![]() Fairchild Semiconductor |
![]() IGBT Transistors Smart Power Module |
![]() Data Sheet |
![]()
|
|
||||||||||||
![]() |
![]() FSBF5CH60BS |
![]() Fairchild Semiconductor |
![]() IGBT Modules 600V -5A IGBT SMART |
![]() Data Sheet |
![]()
|
|
||||||||||||
(China (Mainland))










