Product Summary
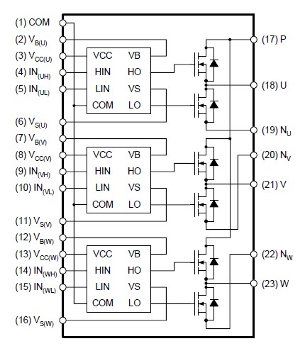
The FSB50450S is a tiny smart power module (SPM based on FRFET technology as a compact inverter solution for small power motor drive applications such as fan motors and water suppliers. It is composed of 6 fast-recovery MOSFET (FRFET), and 3 half-bridge HVICs for FRFET gate driving. The FSB50450S provides low electromagnetic interference (EMI) characteristics with optimized switching speed. Moreover, since it employs FRFET as a power switch, the FSB50450S has much better ruggedness and larger safe operation area (SOA) than that of an IGBT-based power module or one-chip solution.
Parametrics
FSB50450S absolute maximum ratings: (1)ID25 Each FRFET Drain Current, Continuous TC = 25℃: 1.5A; (2)ID80 Each FRFET Drain Current, Continuous TC = 80℃: 1.0A; (3)IDP Each FRFET Drain Current, Peak TC = 25℃, PW < 100μs: 3.0A; (4)PD Maximum Power Dissipation TC = 25℃, Each FRFET: 10W; (5)VCC Control Supply Voltage Applied between VCC and COM: 20V; (6)VBS High-side Bias Voltage Applied between VB(U)-U, VB(V)-V, VB(W)-W: 20V; (7)VIN Input Signal Voltage Applied between IN and COM: -0.3 ~ VCC+0.3V; (8)TJ Operating Junction Temperature: -20 ~ 150℃; (9)TSTG Storage Temperature: -50 ~ 150℃.
Features
FSB50450S features: (1)500V 3.0A 3-phase FRFET inverter including high voltage integrated circuit (HVIC); (2)3 divided negative dc-link terminals for inverter current sensing applications; (3)HVIC for gate driving and undervoltage protection; (4)3/5V CMOS/TTL compatible, active-high interface; (5)Optimized for low electromagnetic interference; (6)Isolation voltage rating of 1500Vrms for 1min; (7)Surface mounted device package; (8)Moisture Sensitive Level (MSL) 3.
Diagrams

| Image | Part No | Mfg | Description | ![]() |
Pricing (USD) |
Quantity | ||||||||||||||
|---|---|---|---|---|---|---|---|---|---|---|---|---|---|---|---|---|---|---|---|---|
![]() |
![]() FSB50450S |
![]() Fairchild Semiconductor |
![]() Motor / Motion / Ignition Controllers & Drivers Smart Power Module |
![]() Data Sheet |
![]()
|
|
||||||||||||||
| Image | Part No | Mfg | Description | ![]() |
Pricing (USD) |
Quantity | ||||||||||||||
![]() |
![]() FSB50250 |
![]() Fairchild Semiconductor |
![]() Motor / Motion / Ignition Controllers & Drivers 2A Smart Power Mod (SPM) |
![]() Data Sheet |
![]()
|
|
||||||||||||||
![]() |
![]() FSB50250A |
![]() Fairchild Semiconductor |
![]() Motor / Motion / Ignition Controllers & Drivers Smart Power Module |
![]() Data Sheet |
![]()
|
|
||||||||||||||
![]() |
![]() FSB50250AS |
![]() Fairchild Semiconductor |
![]() Motor / Motion / Ignition Controllers & Drivers Smart Power Module |
![]() Data Sheet |
![]()
|
|
||||||||||||||
![]() |
![]() FSB50250AT |
![]() Fairchild Semiconductor |
![]() Motor / Motion / Ignition Controllers & Drivers Smart Power Module |
![]() Data Sheet |
![]()
|
|
||||||||||||||
![]() |
![]() FSB50250S |
![]() Fairchild Semiconductor |
![]() Motor / Motion / Ignition Controllers & Drivers Smart Power Module |
![]() Data Sheet |
![]() Negotiable |
|
||||||||||||||
![]() |
![]() FSB50250UD |
![]() Fairchild Semiconductor |
![]() Motor / Motion / Ignition Controllers & Drivers 0.5A 500V SPM |
![]() Data Sheet |
![]()
|
|
||||||||||||||
(China (Mainland))










