Product Summary
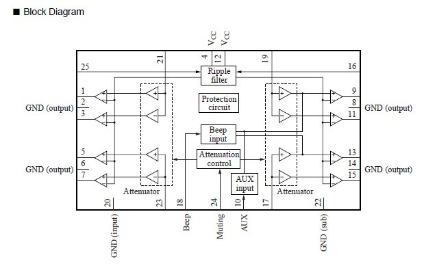
The AN7555ZA is an audio power IC developed as the sound output of car audio (35W 4-channel). The AN7555ZA has realized the voltage gain of 40 dB based on the AN7550NZ (voltage gain : 34 dB). Also, AN7555ZA incorporates a perfect muting circuit without shock noise, so that a shock noise design under the set transient condition can be made easily when used together with its standby function. In addition, AN7555ZA incorporates various protection circuits to protect the IC from destruction by GND-open short circuit to ground, and power supply surge which are the important subject of power IC protection.
Parametrics
AN7555ZA absolute maximum ratings: (1)Supply voltage, VCC: 25V; (2)Peak supply voltage, Vsurge: 65V; (3)Supply current, ICC: 12A; (4)Power dissipation, PD: 59W; (5)Operating ambient temperature, Topr: -30 to +85℃; (6)Storage temperature, Tstg: -55 to +150℃.
Features
AN7555ZA features: (1)Built-in standby function (shock-noise free at STB-on/off); (2)Built-in muting function (shock-noise free at Mute-on/off); (3)External components reduction; (4)Provided with beep sound input pin; (5)Equipped with auxiliary sound input pin.
Diagrams

![]() |
![]() AN7500FHQ |
![]() Other |
![]() |
![]() Data Sheet |
![]() Negotiable |
|
||||||||||||||||||
![]() |
![]() AN7504SB |
![]() Other |
![]() |
![]() Data Sheet |
![]() Negotiable |
|
||||||||||||||||||
![]() AN7510 |
![]() |
![]() IC AUDIO AMP 2CH 1W 16 DIP W/FIN |
![]() Data Sheet |
![]()
|
|
|||||||||||||||||||
![]() |
![]() AN7510S |
![]() Other |
![]() |
![]() Data Sheet |
![]() Negotiable |
|
||||||||||||||||||
![]() |
![]() AN7511 |
![]() |
![]() IC AUDIO AMP 1W 8 DIP W/FIN |
![]() Data Sheet |
![]()
|
|
||||||||||||||||||
![]() |
![]() AN7511S |
![]() Other |
![]() |
![]() Data Sheet |
![]() Negotiable |
|
||||||||||||||||||
(China (Mainland))









