Product Summary
The K2368 is N-Channel MOS Field Effect Transistor designed for high voltage switching applications.
Parametrics
K2368 absolute maximum ratings: (1)Drain to Source Voltage VDSS: 450/500 V; (2)Gate to Source Voltage VGSS: ±30 V; (3)Drain Current (DC) ID (DC): ±15 A; (4)Drain Current (pulse)* ID (pulse): ±60 A; (5)Total Power Dissipation (Tc = 25 ℃) PT1: 120 W; (6)Total Power Dissipation (TA = 25 ℃) PT2: 3.0 W; (7)Channel Temperature Tch: 150 ℃; (8)Storage Temperature Tstg: –55 to +150 ℃; (9)Single Avalanche Current IAS: 15 A; (10)Single Avalanche Energy EAS: 161 mJ.
Features
K2368 features: (1)Low On-Resistance; (2)Low Ciss Ciss = 1 600 pF TYP; (3)High Avalanche Capability Ratings.
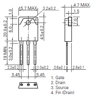
Diagrams

(China (Mainland))






