Product Summary
The 2SK2611 is a silicon N channel MOS type TOSHIBA field effect transistor.
Parametrics
2SK2611 absolute maximum ratings: (1)Drain power dissipation (Tc = 25℃) PD: 150 W; (2)Single pulse avalanche energy EAS: 663 mJ; (3)Avalanche current IAR: 9 A; (4)Repetitive avalanche energy EAR: 15 mJ; (5)Channel temperature Tch: 150 ℃; (6)Storage temperature range Tstg: -55~150 ℃; (7)Drain.source voltage VDSS: 900 V; (8)Drain.gate voltage (RGS = 20 kΩ) VDGR: 900V; (9)Gate.source voltage VGSS: ±30 V.
Features
2SK2611 features: (1)Low drain source ON resistance : RDS (ON) = 1.1 Ω (typ.); (2)High forward transfer admittance : |Yfs| = 7.0 S (typ.); (3)Low leakage current : IDSS = 100 μA (max) (VDS = 720 V); (4)Enhancement.mode : Vth = 2.0~4.0 V (VDS = 10 V, ID = 1 mA).
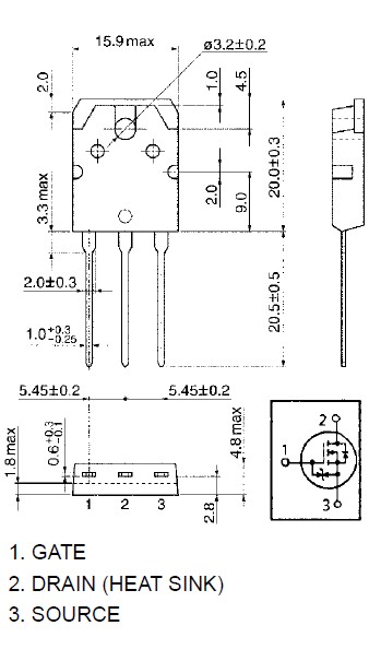
Diagrams

| Image | Part No | Mfg | Description | ![]() |
Pricing (USD) |
Quantity | ||||
|---|---|---|---|---|---|---|---|---|---|---|
![]() |
![]() 2SK2611 |
![]() Other |
![]() |
![]() Data Sheet |
![]() Negotiable |
|
||||
![]() |
![]() 2SK2611(F,T) |
![]() Toshiba |
![]() MOSFET MOSFET N-Ch 900V 9A Rdson 1.4 Ohm |
![]() Data Sheet |
![]() Negotiable |
|
||||
(China (Mainland))










